联系人:舒工
手机:13726017833
qq:64407753
地址:广东省中山市三乡镇乌石村万里路2号16卡首层
发布时间:2020-05-08 16:51:10





室外彩虹腿新国标乒乓球台规格尺寸及技术要求:
台面尺寸:台长27400+5mm
台宽1525±3mm(蓝色或墨绿色)
台高:760±3mm;
台腿尺寸:圆管外径60±0.6mm;
壁厚不小于2.75mm
底架结构:钢圆管彩虹结构
台面材料:采用SMC材料整体高温模压一次成型,台面翻边高度不小于50mm,台板材料厚度不小于4.5mm,翻边厚度不小于7 mm;台板背面采用井字型的加强筋来增强台面的强度和耐撞击性,加强筋厚度不小于5mm,加强筋高度不小于8mm。台板背面必须装有钢托架,钢托架采用不小于20mm×30mm×2.0mm的优质方钢管制成,每半块板面支撑框架应不少于4横4纵支撑管连接。
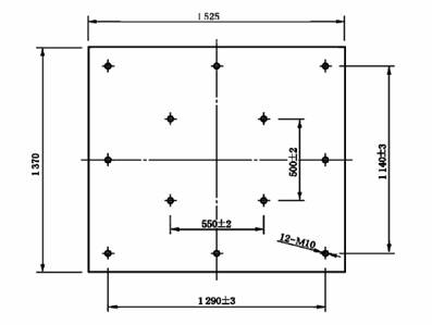
球台与支撑框架安装位置应符合下图的尺寸要求。
台板能承受足够的静载荷,稳定性好。
台腿:表面处理与篮球架表面一致,颜色为红色或橘红色。
新国标球台背面安装图


点击查看 室外乒乓球台(新国标)检测报告